



CT2AM-F110叶片式气动马达 (IECB-5 71 法兰安装)
一、产品型号:CT2AM-F110 (IECB-5 71 法兰安装)
二、产品特点:
*策途生产并销售0.33KW-7KW的标准常规叶片式气动马达,同时可提供OEM或定制马达服务,每款马达都享有独特的产品标识,可追溯到具体的专业装配工人;
*策途叶片式气动马达结构简单,体积小,重量轻,马力大,操作容易,维修方便,因其具有耐水,防火,防爆和防爆防尘,高速旋转下不会烧机发热的特点,故适合在潮湿、高温、高粉尘等恶劣环境下替代电机进行工作;
*策途叶片式气动马达系列可通过调速阀实现无极调速,同时可加装减速机降低转速增大扭矩,从而满足客户多样的转速与扭矩要求,广泛应用于船舶,冶金,造纸,海洋平台,石油化工,医药等行业。
三、技术参数

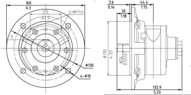
四、外形尺寸

五、注意事项
(1)气动马达须由干燥、洁净,经过润滑的压缩空气驱动,须在气路系统中安装空气过滤器、调压阀、油雾器,即二联件或三联件。二联件、三联件须靠近气动马达安装(0.5米内)。
(2)接管内径不小于8mm路连接完毕接入气动马达前须通气清理气管内部可能出现的碎屑杂物,这些异物进入气动马达内部会造成马达卡死。
(3)气动马达运行时须持续润滑(润滑油经油雾器雾化后随压缩空气进入气动马达),润滑会减少气动马达叶片的磨损以及马达内部零件的锈蚀,延长使用寿命。润滑油标号为ISO-VG32号油雾器专用油或其他同等标号润滑油。润滑量为每分钟1-2滴。
